Gesture Clock System 

The clock contains purchased modules and a circuit board for all of the discrete parts.

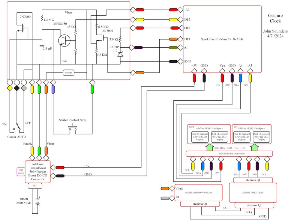
The diagram shows the inter-connections which are made using jumper cables,

A basic design consideration is due to being battery-operated. An interval of months was desired between re-charging the battery, This results in alternate standby and active power modes due to high LED and sensor current draw,

Switching between these power modes uses the enable line of the Power-Boost module. When the is low, the 5V is shut off, and the only significant draw is by parts connected to the battery directly. These are all in the board whose circuit is on the upper left,

There are three sources of enabling:

INormally the toggle switch is kept in the center, off, position.

In active power mode the micro-controller holds the clock in active power mode until it is turned off by the program. The NPN transistor acts as an interface using an open-collector output to avoid battery drain in standby power mode,

An Arduino micro-controller can reportably take up to eight seconds to boot,  The Mini-Pro, which lacks a FTDI USB interface is measured at 1.44 seconds. In order to press the on film momentarily, the MOSFET circuit on the left hold the enable line on for more than two seconds.

The circuit on the right is for measuring battery voltage without the sensing connector drawing current from the battery during standby mode,

Using a reference diode avoids dependence on the 5V supply voltage.

The down position of the toggle switch forces standby power mode,



Gesture Clock Color Remote Control