The device is made of 3 parts which are not fastened together:
1. A rectangular tube sealed at one end with an aperture covered with red film.
2. A substrate with the radar detector at one end and the DC-DC converter and input jack at the open end.
3. The 5 display modules, interconnecting boards, and the driver circuit.

The LED modules have 5 pins at the top and 5 more at the bottom. Each is soldered to a small stripline board with 5 conductors. These 5 boards are criss-crossed by a 6-line stripline in between the LED connections. The copper is on opposite sides. This forms a matrix with short wires at selected intersections as follows:
1. The common anode at + 5V.
2. The segments common to both options.
3. The segments lit only for the street number option.
4. The segments lit only for the "HELLO" greeting option.

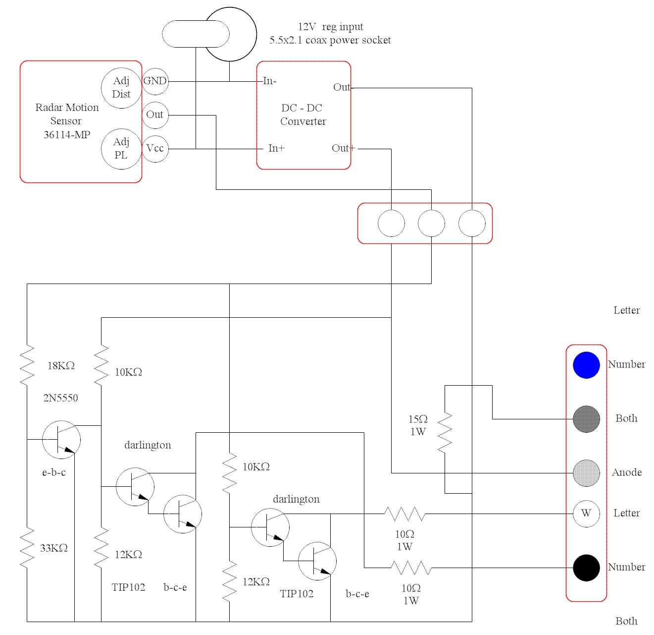
Block Diagram
LEDPanelDrivers