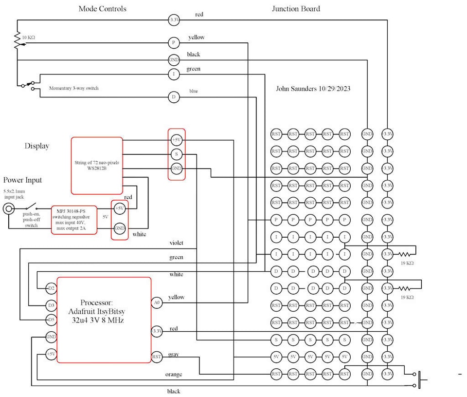
Octagon Display Circuit

Only the potentiometer, the mode switch, and the reset push-button (at the bottom) are soldered into holes in the junction board, on the right.  Also two pull-up resistors. Every other connection has its own  post on this board. 

The display has a socket on a pigtail which is plugged into rows 2-4. All others use F-F jumper wires from Pololu.

The display also has separate power wires of a thicker gage and no connector. These go into a floating junction block, which is wired to the DC-DC converter output.

The switch is 3-way momentary, center-off. It selects the operating mode.

The potentiometer causes clockwise rotation of most modes when past center, and vice-versa. It also controls the rate of rotation, with center being slowest.

An exception is mode 4, which does not rotate and has a uniform color throut. In that mode it controls color in an ad-hoc manner, primarily for use as a dim nightlight.