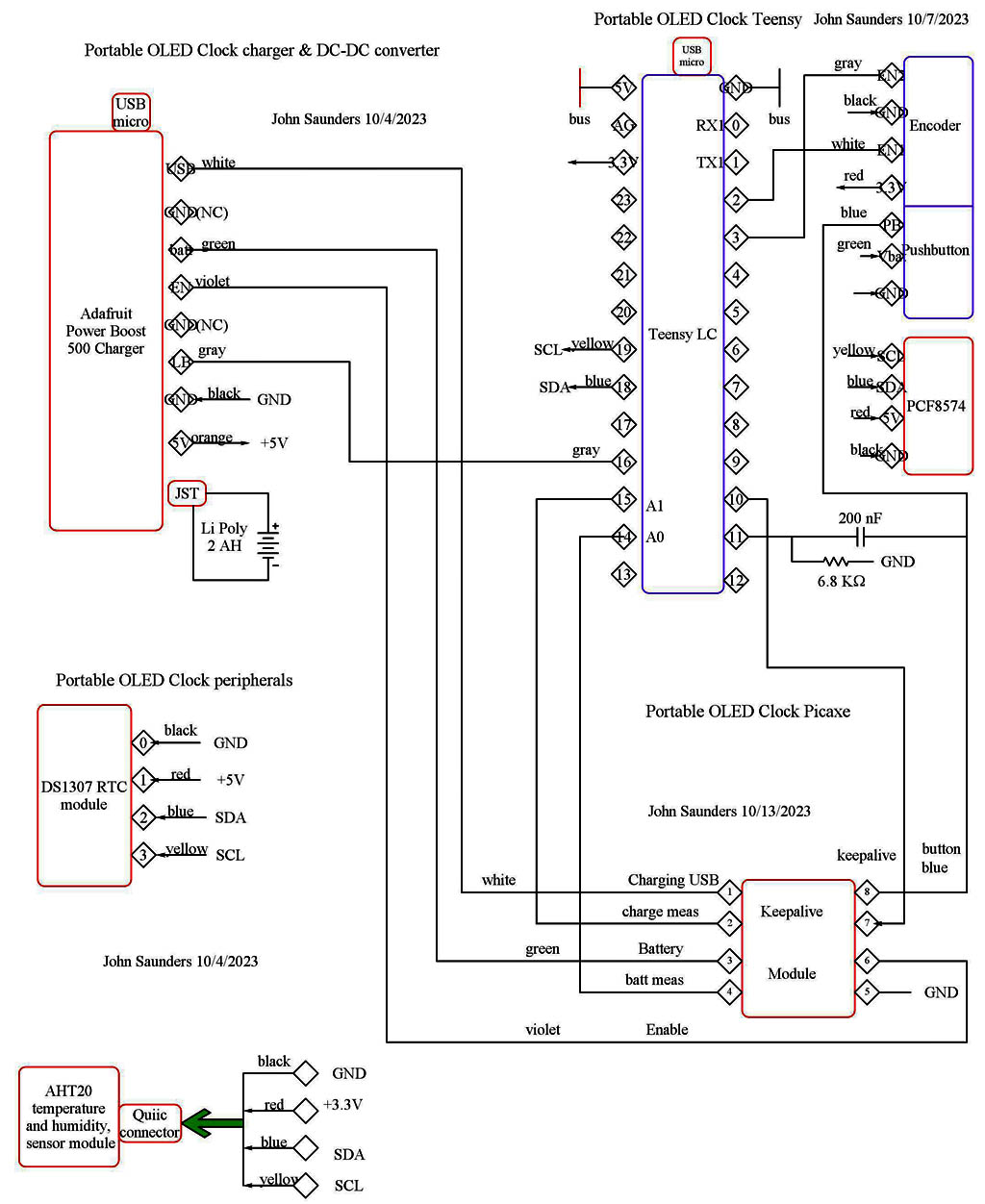
This project is a unified assembly with no external connections. All of the sub-assemblies ate fastened to a FR circuit board platform, which has extensions which fit into slots on the sides of the box. The Teensy is plugged into a mini solderless breadboard. The battery, which is housed under the breadboard, is plugged into the charger. Everthing else is plugged into this breadboard using plug-in jumper wires.
All parts except the Control and Keepalive sub-assemblies were bought online .
|
The Processor is a PJRC Teensy LC. It has extended headers soldered to it. It is mounted with its programming connector, a USB-Micro, at the edge to be accessable. A major sub-assembly held by a single screw holds the Keepalive, RTC , AHT20 and charger-DC-DC converter modules. The Display, RTC, and the Teensy use 5V. The Teensy is a 3.3 V unit and it provides 3.3V to the Sensor and the Encoder.
The battery is lithium poly, flat. It connects to the charger by a pigtail with JST connector. The PCF8574 is soldered onto the display to make it I2C compatible 
|
This is the power on-off assembly. It is constructed on protoboard with transverse 5-hole connections. It has an on-off section and two resistive dividers to drop the charge and USB voltages so that they may be measured by the Teensy, which usesa a 3.3V reference. The keepalive section is a classic 'Watchdog' timer. It is reset each second until the teensy program commands shutdown. The second version of this project used a Picaxe 08M2 micro-controller for this function. While this approach is more compact and flexible the Picaxe behaved erratically when plugged into the breadboard, and was reluctantly abandoned for this tried-and-true circuit. The 2N7000 MOSFETS have a 2.5V threshold and are not fussy as to the voltage on their pullups, a convenience. They also use less power than the Picaxe, down to about 25 microamp. 
|
The control section is the main rerason to remodel this project, for a better human experience. It uses an incremental encoder with an integral push-button switch to replace a 12-position switch on the front panel and two push-buttons inside. A small protoboard with 5-hole connections is soldered to the encoder to provide for a connection and two resistors. The encoder section is pulled up to 3,3V and is connected to the Teensy. The push-button section has a resistor to ground and connects to battery voltage. It is connected directly to the keepalive circuit and to the Teensy by a differentiating capacitor-resistor circuit on the breadboard.
 |