The receiver module is the same Radiotronix brand as used in all of my other 433 MHz projects. I tried another brand once but it was not interoperable despite being labelled 433.

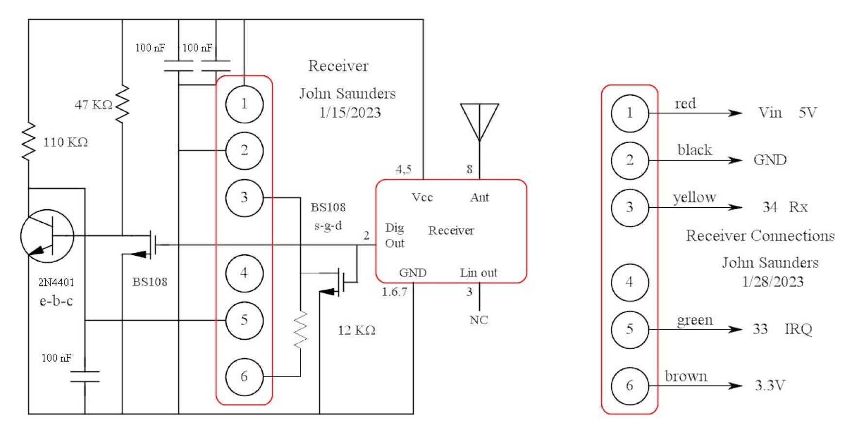
It is powered with 5V via the Teensy breadboard with an interference-suppressing filter in the wiring. The receiver needs 5V.

The circuit uses the same integrator to prevent nearly all noise-induced interrupts.

The signal output is inverted because Arduino serial interfaces use “T’ polarity, but the ASK/00K modulation is “N” polarity. The inverter also converts the voltage level from %V to 3.3V.

The only change from the spring ’23 version is to re-route the antenna directly outside for better reception.