These are the Controller Processor circuit diagrams:

This is the Programming Connector

Front

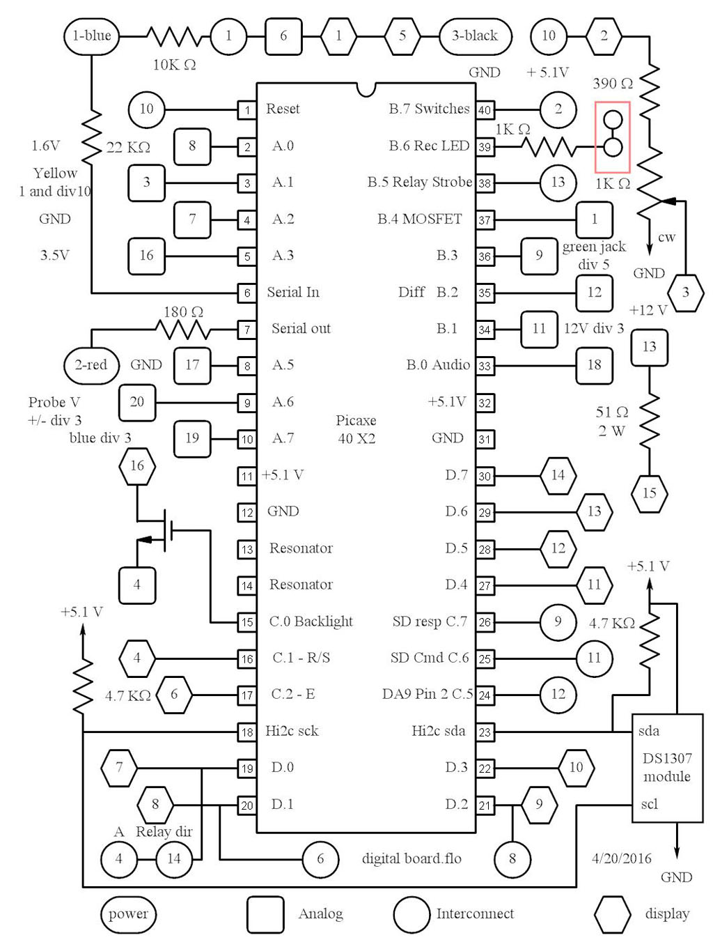
This is the processor diagram:

Processor