Main
Photos
System
Display Mux
Data Mux
Processor
Accessories
Program
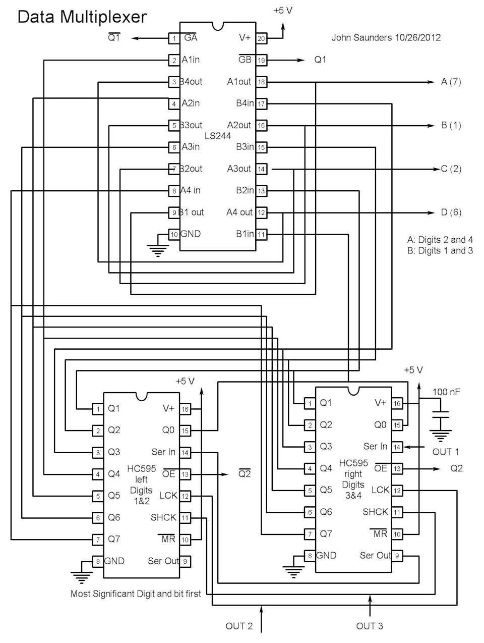
Data Multiplexer Schematic Diagram