Return
Photos
System
200 mv_Amp
Digital_I_O
Green_Amp
Diff_Amp
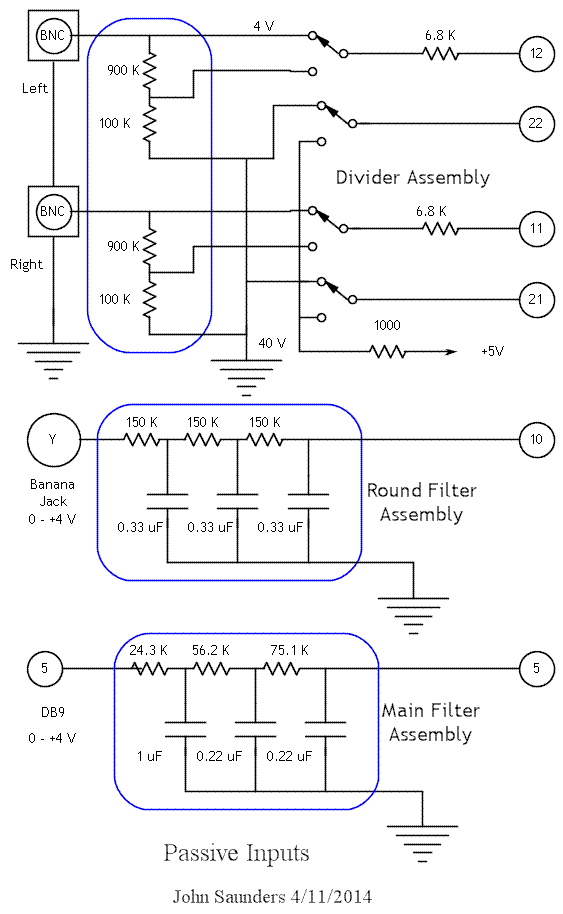
Passive_Inputs
Signal Conditioner Passive Input-Output Schematic Diagram