Controller Main Board Circuits:

This is the Processor:

Processor

These are the power and rotary encoder circuits:

Analog Filtersl

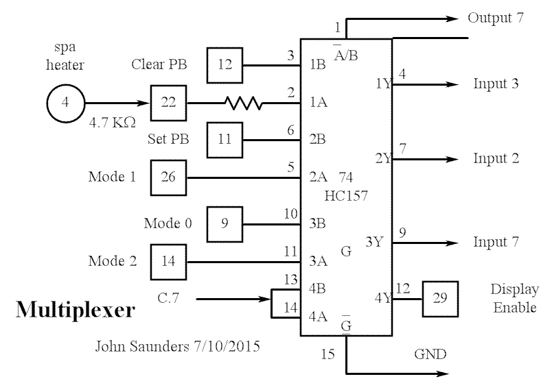
This is the digital multiplexer:

Digital multiplexerr

These are the protection circuits:

Input protection

This is the clock:

Clock